您的位置:首页 > 产品中心 > 电子及电气连接器 > RJ11 / RJ45连接器 > RJ45 ICM

RJ45+Transformer 1G, 1*4, Tab Down, Shield, LED(G/O), P/N:RCDC-DH11-4204

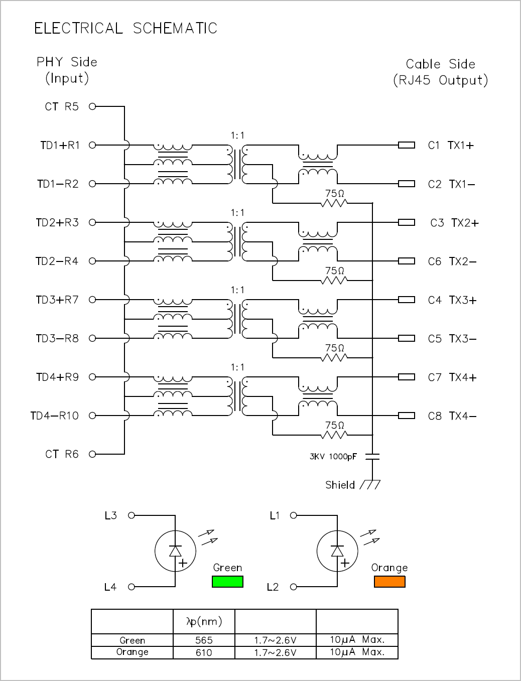
产品型号:RCDC-DH11-4204

● 端口矩阵配置1*4

● 额定功率:1A/48V~

● 屏蔽:有

● LED 颜色 (左下角) :绿色

● LED 颜色 (右下角) :橙色

● PCB 端接方式: 通孔焊接

● 速率:1G BASE-T

● 主体材质:高温热塑性塑料,UL94V0

● 主体颜色:黄色(114C)或可按需求定制

● 欧盟RoHS指令 2011/65/EU:符合欧盟RoHS指令



产品规格 / PRODUCT SPECIFICATIONS

RCDC-DH11-4204 尺寸图.png

电路图/ELECTRICAL SCHEMATIC

RCDC-DH11-4204 电路图.png

产品推荐